Published:2009/7/10 0:57:00 Author:May | From:SeekIC

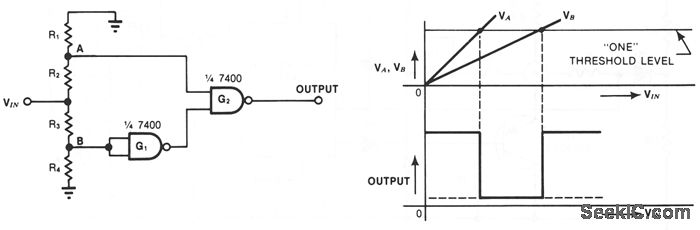
This simple window detector uses only half of a 7400 quad NAND gate plus four resistors, chosen so that the voltage at point A exceeds the voltage at point B for any input voltage. With no input applied or when VIN is at ground, the output of gate G1 is one; hence G2's output is also one. As the input voltage increases, VA, rises faster than VB. When VA reaches an acceptable one level, the circuit's output drops to zero. As the input continues to increase, VB rises to an acceptable level, changing the output of G2 to one.
Reprinted Url Of This Article:
http://www.seekic.com/circuit_diagram/Measuring_and_Test_Circuit/SIMPLE_WINDOW_DETECTOR.html
Print this Page | Comments | Reading(3)
Code: