Published:2009/7/2 7:25:00 Author:May | From:SeekIC

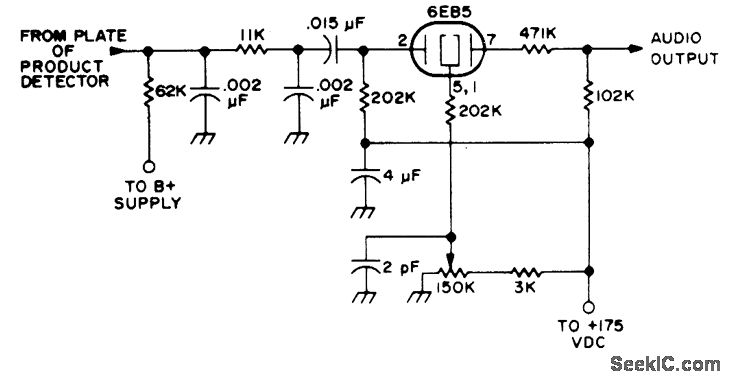
Simple Iimiter is easy to install in receiver having good product detector. In place of dual-diode tube, semiconductor diodes having high front-to-back ratio may be used.-Novice Q & A. 73 Magazine. Holiday issue 1976 p 20.
Reprinted Url Of This Article:
http://www.seekic.com/circuit_diagram/Measuring_and_Test_Circuit/SSB_CW_NOISE_LlMlTER.html
Print this Page | Comments | Reading(3)
Code: