Published:2012/12/24 21:22:00 Author:muriel | Keyword: Simple Capacitance Meter | From:SeekIC

Reprinted Url Of This Article:
http://www.seekic.com/circuit_diagram/Measuring_and_Test_Circuit/Simple_Capacitance_Meter.html
Print this Page | Comments | Reading(3)
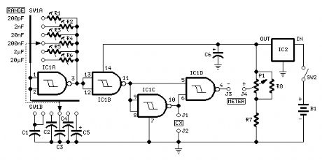
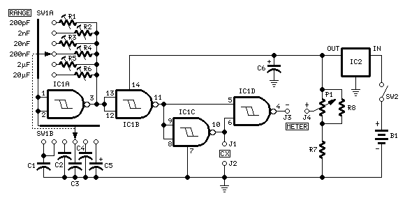
Code: