Published:2011/5/30 1:27:00 Author:Christina | Keyword: Soil, humidity, tester | From:SeekIC

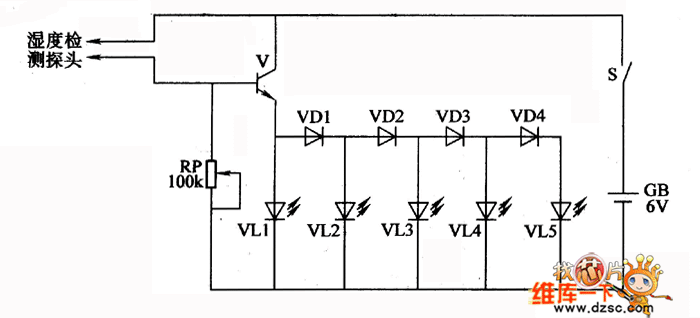
The circuit principle: this soil humidity tester circuit is composed of the humidity detection probe, the transistor V, the diodes VDl-VD4, the LEDs VLl-VL5, the potentiometer RP, the power switch S and the battery GB. When the humidity detection probe is not in the soil or the soil is too dry, the V and the VDl-VD4 are in the cut-off state, VL1~VL5 do not emit light. When the soil has certain humidity, the soil moisture makes the resistance between the two electrodes of the humidity detection probe lower and lower, V conducts, VLl-VL5 turn on one by one. The greater the soil moisture is, the stronger the V conduction capacity is, the more number of LEDs will turn on.
Reprinted Url Of This Article:
http://www.seekic.com/circuit_diagram/Measuring_and_Test_Circuit/Soil_humidity_tester_circuit.html
Print this Page | Comments | Reading(3)
Code: