Published:2009/7/7 21:58:00 Author:May | From:SeekIC

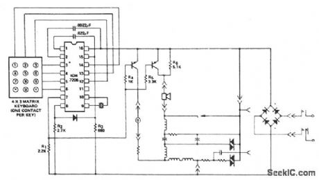
This encoder uses a single contact per key keyboard and provides all other switching functions electronically. The diode connected between terminals 8 and 15 prevents the output from goirfg more than 1 V negative with respect to the negative supply VSS. The circuit operates over the supply voltage range from 3.5 V to 15 V on the device side of the bridge rectifier. Transients as high as 100 V will not cause system failure, although the encoder will not operate correctly under these conditions. Correct operation will resume immediately after the transient is removed. The output voltage of the synthesized sine wave is almost directly proportional to the supply voltage (VDD - VSS) and will increase with the increase of supply voltage between terminals 8 and 16, after which the output voltage remains constant.
Reprinted Url Of This Article:
http://www.seekic.com/circuit_diagram/Measuring_and_Test_Circuit/TELEPHONE_HANDSET_ENCODER.html
Print this Page | Comments | Reading(3)
Code: