Published:2009/6/28 23:49:00 Author:May | From:SeekIC

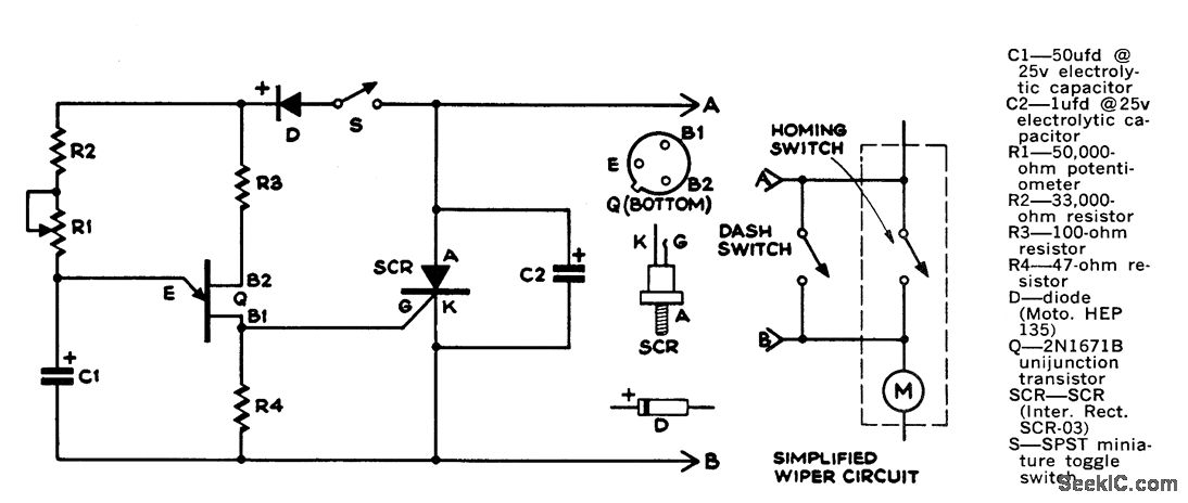
Provides automatic one-shot swipes at preselected intervals from 2 to 30 s for handling mist, drizzle, or splash from wet road. Circuit shorts out homing switch inside windshield-wiper mptor, which is usually in parallen with slow-speed contacts of wiper dashboard switch terminals at a time to find pins that shatr wiper. When blades begin moving, remove jumper; blades should then finish sweep and shut off. It is these terminals of switch that are connected to points A and B of control circuit.-V. Mele, Mist Switch-It's for Your Windshield Wipers, Popular Science, Aug.1973, p 110.
Reprinted Url Of This Article:
http://www.seekic.com/circuit_diagram/Measuring_and_Test_Circuit/TIMER_FOR_WIPER.html
Print this Page | Comments | Reading(3)
Code: