Published:2009/7/13 4:23:00 Author:May | From:SeekIC

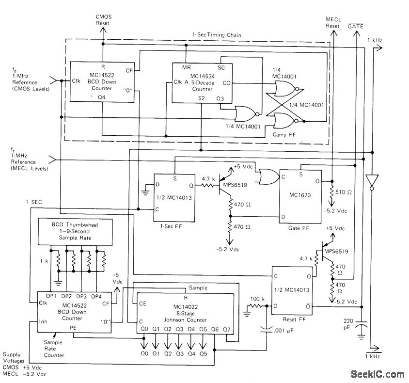
Provides 1-s gate, latch strobing signals, 1-kHz signal for multiplexing displays, and digital sample rate control for high-frequency high-resolution counters. Timing chain divides 1.MHz external reference signal by 106 to give 1.Hz output. MC14534 five-decade counter generates 1-kHz multiplexing frequency with 20% duty cycle for blanking. Digital sample rate control is pro-grammed on BCD thumbwheel switch in incre-ments ranging from 1 to 9 s, using single MC14522 BCD down counter. -J. Roy, A Time Base and Control Logic Subsystem for High-Fre-quency, High-Resolution Counters, Motorola, Phoenix, AZ, 1975, EB-48.
Reprinted Url Of This Article:
http://www.seekic.com/circuit_diagram/Measuring_and_Test_Circuit/TIME_BASE_FOR_12_GHz_COUNTER.html
Print this Page | Comments | Reading(3)
Code: