Published:2009/6/25 23:12:00 Author:May | From:SeekIC

Circuit Notes
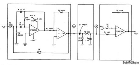
The detector circuit is made up a two-amplifier multiple feedback bandpass filter followed by an ac-to-dc detector section and a Schmitt Trigger. The bandpass filter (with a Q of greater than 100) passes only 500 Hz inputs whch are in turn rectified by D1 and filtered by R9 and CA. This filtering action in combination with the trigger level of 5 V for the Schmitt device insures that at least 55 cycles of 500 Hz input must be present before the output will react to a tone input.
Reprinted Url Of This Article:
http://www.seekic.com/circuit_diagram/Measuring_and_Test_Circuit/TONE_DETECTOR.html
Print this Page | Comments | Reading(3)
Code: