Published:2009/6/25 22:16:00 Author:May | From:SeekIC

Reprinted Url Of This Article:
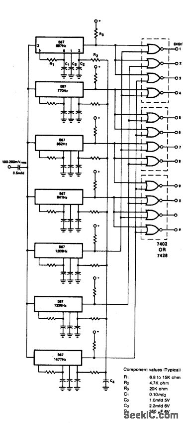
http://www.seekic.com/circuit_diagram/Measuring_and_Test_Circuit/TONE_DIAL_DECODER.html
Print this Page | Comments | Reading(3)
Code: