Published:2009/7/11 4:26:00 Author:May | From:SeekIC

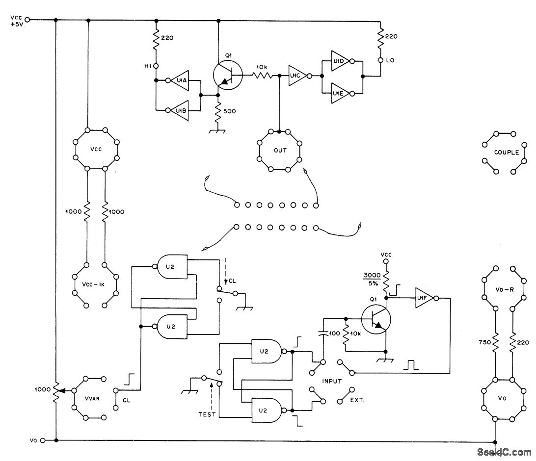
Test panel provides fast static test of surplus 7400 series TTL ICs. Each contact of 16-pin DIP socket has lead that can be plugged into array of seven othersockets carrying various supply voltages, loads, etc. Switches provide pulses of input current for toggling or clocking, counting, and resetting. Leads also serve for cross-coupling gates in IC to make flip-flop and forsetting up other simple circuits. Input voltage control allows plotting of transfer functions and study of circuit operation under different signal-level conditions. Extemal test meter can be connected when necessary. HI and LO indicators are LEDs that show level of terminal connected to output socket. Transistors are general-purpose NPN such as 2N2926. U1 is SN7404 hex inverter, and U2 is SN7400 quad two-input NAND gate. Tester is not suitable for complementary MOS devices requiring protection from static charges. Article gives detailed instructions for testing each type of TTL device.-J. S. Worthington, A Simple TTL Test Panel, QST, Dec. 1976, p 25-27.
Reprinted Url Of This Article:
http://www.seekic.com/circuit_diagram/Measuring_and_Test_Circuit/TTL_GO_NO_GO_TESTER.html
Print this Page | Comments | Reading(3)
Code: