Published:2009/7/13 4:31:00 Author:May | From:SeekIC

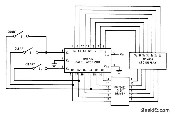
Combination of Na-tional MM5736 calculator chip and DM75492 digit driver for 6-digit LED display is suitable for applications where typical maximum counting rate can be about 100 Hz. Counter is reset manually by closing S1 to clear calculator and closing S2 to enter a 1. Operator now controls start of new count by pressing S,, without need for gating count input. -M. Watts, Calculator Chip Makes a Counter, National Semiconductor, Santa Clara, CA, 1974, AN-112, p 2.
Reprinted Url Of This Article:
http://www.seekic.com/circuit_diagram/Measuring_and_Test_Circuit/TWO_CHIP_COUNTER.html
Print this Page | Comments | Reading(3)
Code: