Published:2011/7/8 0:05:00 Author:Michel | Keyword: Thermistance, Temperature Measurement Circuit | From:SeekIC

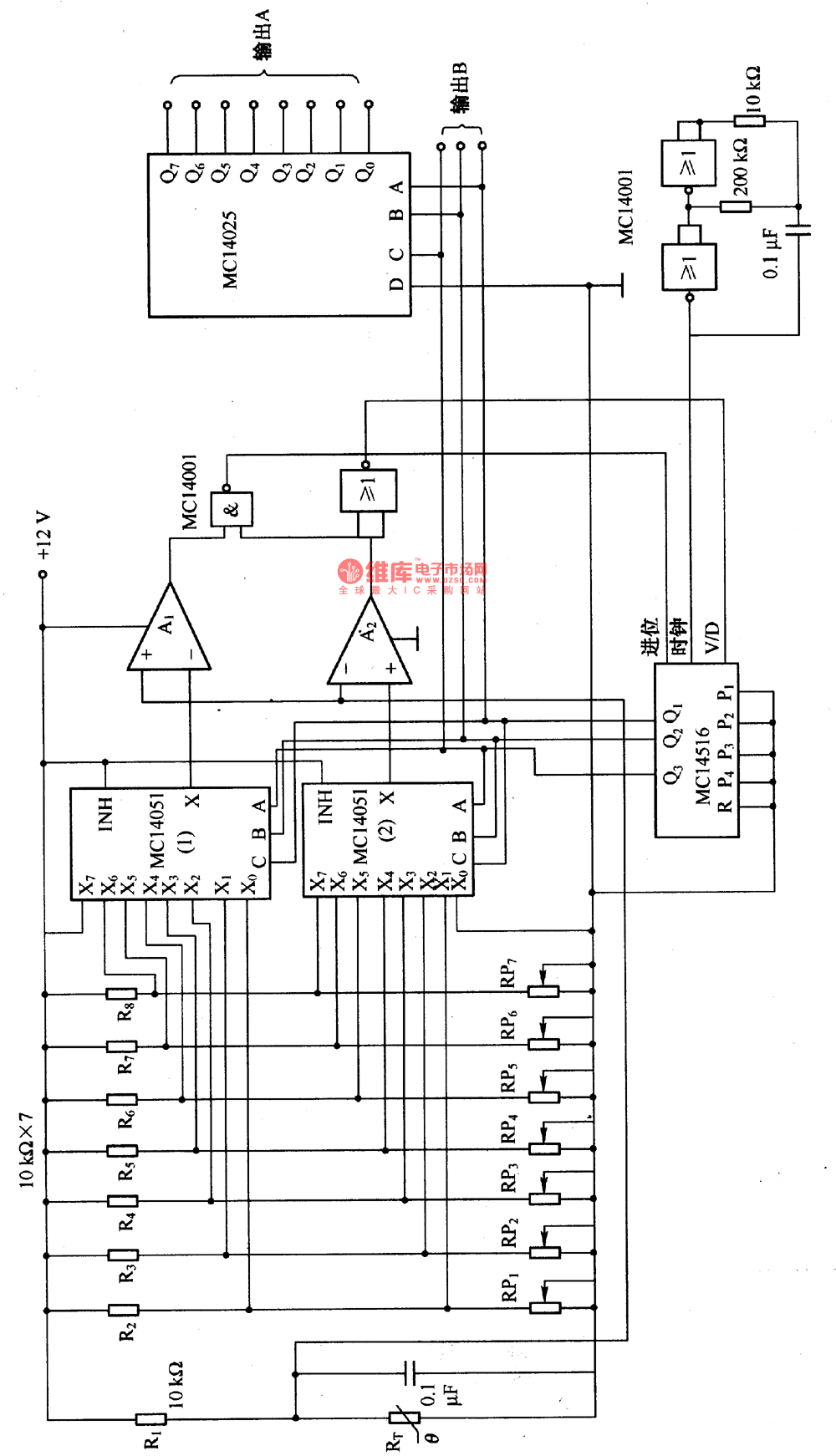
The temperature measuremnet circuit composed of thermistance etc. is shown as above. The temperature range and switch points of thermistors measurement are decided firstly.That's to say, temperature and thermistors corresponding resistance (R) are set according to the sequence of R (RPl),R2 to R(RP7), R8 (high temperature to low temperature).MC14516 is counter and the counter stop counting if the thermistance is in setting temperature range.The counting value outputs via B port and the octal signal outputs via A end.
Reprinted Url Of This Article:
http://www.seekic.com/circuit_diagram/Measuring_and_Test_Circuit/Temperature_Measurement_Circuit_3_of_Thermistance.html
Print this Page | Comments | Reading(3)
Code: