Published:2011/7/11 7:45:00 Author:Michel | Keyword: Thermistors, Temperature Measurement | From:SeekIC


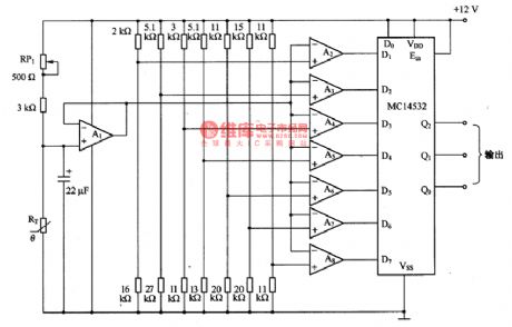
The picture is the temperature measurement circuit one of thermistors.Thermistors RT and RP1 constitute bridge road which are used to detect the different temperature. This circuit has many components but the performance is very good. Comparator A2一A8 are used to test measuring temperature range and they output 8 different temperature via MC14532 and please see the above form.
Adjusting method is as follows.30℃ 8.4 Ok Ω ordinary resistance is connected to the circuit,RP1 resistance value becomes bigger gradually from the minimum value and RP1 resistnace value is fixed and the resistance measurement precision temperature range is 土2℃ when the output code is 110一001.
Reprinted Url Of This Article:
http://www.seekic.com/circuit_diagram/Measuring_and_Test_Circuit/Temperature_Measurement_Circuit_One_of_Thermistors.html
Print this Page | Comments | Reading(3)
Code: