Published:2011/6/16 22:14:00 Author:qqtang | Keyword: reception module circuit | From:SeekIC

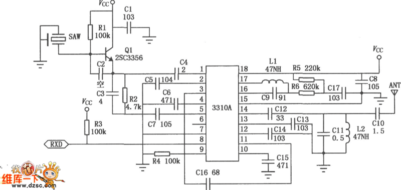
The RX3310A module is a wireless remote control and digit transiting signal reception module which is specially used in amplitude key control ASK modulation. This module is made of high function wireless remote control and digit transiting special integrated circuit, which contains the low-noise high-frequency amplifier, mixer, local oscillator, intermediate frequency amplifier, intermediate frequency filter, comparator and so on, and it is also fixed with the 316.8MHz sound surface wave resonator, so that it works stably and it's fitted to work in bad conditions.The superhet receiving module circuit of RX3310A:
Reprinted Url Of This Article:
http://www.seekic.com/circuit_diagram/Measuring_and_Test_Circuit/The_RX3310A_reception_module_circuit.html
Print this Page | Comments | Reading(3)
Code: