Published:2011/6/20 22:11:00 Author:Seven | Keyword: moving object, detector | From:SeekIC


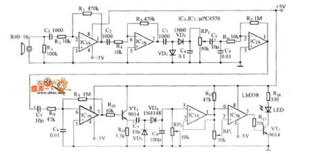
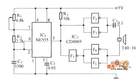
The moving object detector circuit is shown in the figure:The above figure is the ultrasonic wave reception and process circuit, and its emitting circuit is this.
Reprinted Url Of This Article:
http://www.seekic.com/circuit_diagram/Measuring_and_Test_Circuit/The_moving_object_detector_circuit.html
Print this Page | Comments | Reading(3)
Code: