Published:2011/6/6 2:02:00 Author:Seven | Keyword: radiation tester | From:SeekIC

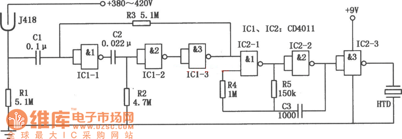
In the figure is the radiation tester circuit,which consists of the radiation testing sensor and the NAND integrated circuit CD4011. It can be used to detect the α,γ,βand X rays, and the sensitivity is high. When a few radioactive rays are detected, the tester will make intermittent noises; and when the dose of the rays is big, it will make continuous warning noises.
Reprinted Url Of This Article:
http://www.seekic.com/circuit_diagram/Measuring_and_Test_Circuit/The_radiation_tester_circuit.html
Print this Page | Comments | Reading(3)
Code: