Published:2011/6/6 21:38:00 Author:qqtang | Keyword: survey meter, LED display | From:SeekIC

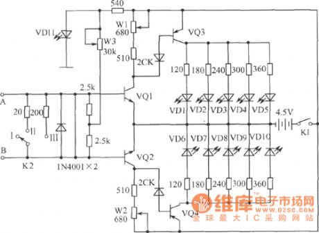
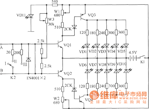
In the figure is the survey meter circuit of LED display, which can play a big part in solving some physical experiment problems. A and B are the input terminals of the current under test. Transistors of VQ1, VQ3 and VQ2, VQ4 form the coupling DC amplifier of common emitting poles on the two sides, respectively, and the LED of VD1~VD5 and VD6~VD10 are the display elements of two directions. When the current flows to B from A, the transistor of VQ2 cuts down its basic pole LEV, the working voltage is going down and VQ4 is blocked with it.
Reprinted Url Of This Article:
http://www.seekic.com/circuit_diagram/Measuring_and_Test_Circuit/The_survey_meter_circuit_of_LED_display.html
Print this Page | Comments | Reading(3)
Code: