Published:2011/6/16 20:13:00 Author:qqtang | Keyword: wide band, linear detection circuit | From:SeekIC

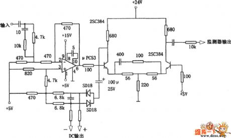
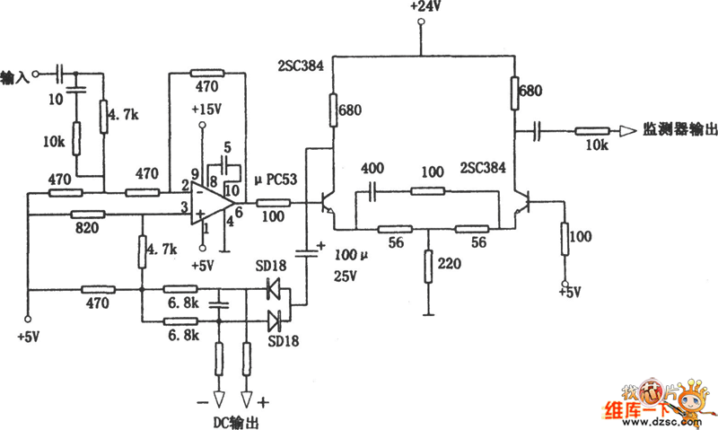
In the figure is the wide band linear detection circuit of 10MHz, which is used in measuring instruments like millivoltmeters. The computing amplifier is fixed with a wide band μPC53, whose output is amplified by the differential amplifier composed of the triode 2SC384. The diode in the circuit is Ge diode, by installing it in the backward feedback circuit, the power supply voltage is increased by the differential circuit.
Reprinted Url Of This Article:
http://www.seekic.com/circuit_diagram/Measuring_and_Test_Circuit/The_wide_band_linear_detection_circuit_of_10MHz.html
Print this Page | Comments | Reading(3)
Code: