Published:2011/6/9 4:07:00 Author:Vicky | Keyword: Transistor Online Detector | From:SeekIC

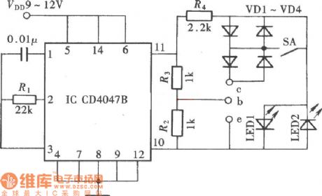
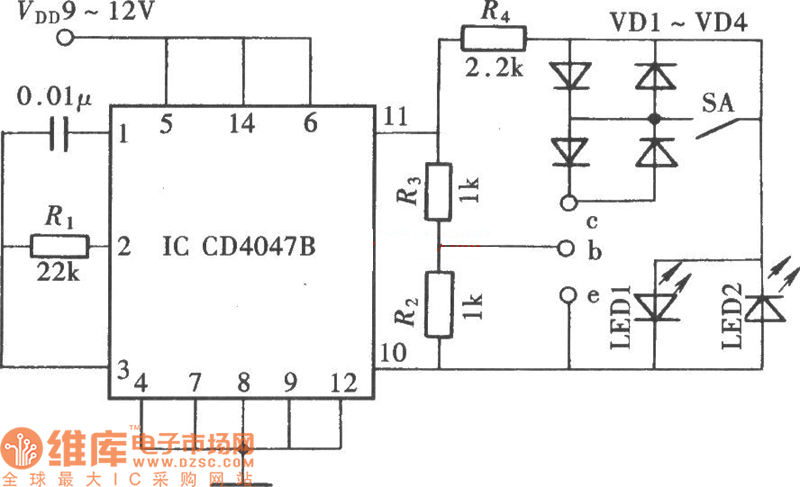
Transistor online detector can test whether the transistor is good or bad without disassembling the transistor. Its working principle is as shown in the picture. This detector can not only be used to test the transistor independently, but also test the transistor online; not only test the PNP-type transistor, but also NPN-type transistor. It is of a relatively high practical value.
Reprinted Url Of This Article:
http://www.seekic.com/circuit_diagram/Measuring_and_Test_Circuit/Transistor_Online_Detector_Circuit_Diagram.html
Print this Page | Comments | Reading(3)
Code: