Published:2009/7/10 3:16:00 Author:May | From:SeekIC

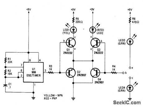
A 555 timer drives Q1 through Q4 with a square wave. LED1 and LED2 light when an npn or pnp transistor respectively, are connected to the text terminals. If LED3 and LED4 light equally as LED1 and LED2, the transistor is functional. If LED3 and LED4 are brighter than LED1 or LED2, the transistor is shorted.
Reprinted Url Of This Article:
http://www.seekic.com/circuit_diagram/Measuring_and_Test_Circuit/Transistor_Tester.html
Print this Page | Comments | Reading(3)
Code: