Published:2013/1/23 1:11:00 Author:Ecco | Keyword: Transistors, simple test | From:SeekIC

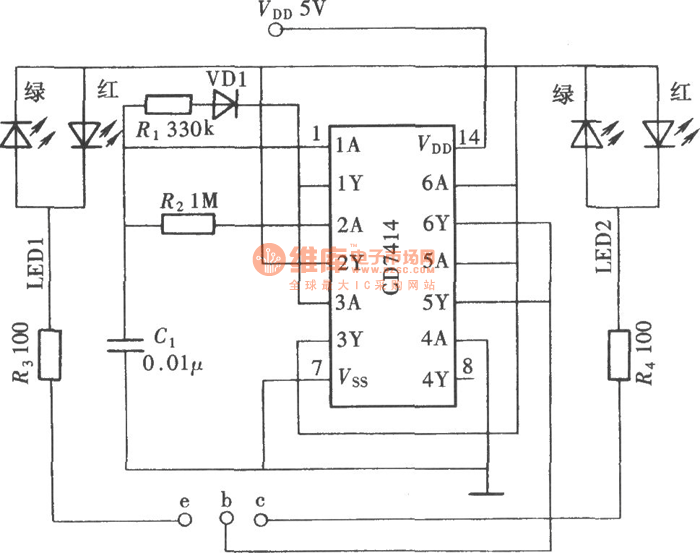
The transistor is one of the most commonly used devices in electronic circuits, and it is often to be tested, sometimes it is very troublesome to use a multimeter to test. The instrument is simple to manufacture, and the test results are very good, and it can fully meet the general requirements. The circuit schematic is shown as figure.
Reprinted Url Of This Article:
http://www.seekic.com/circuit_diagram/Measuring_and_Test_Circuit/Transistors_simple_test_circuit_diagram.html
Print this Page | Comments | Reading(3)
Code: