Published:2009/6/24 21:27:00 Author:Jessie | From:SeekIC

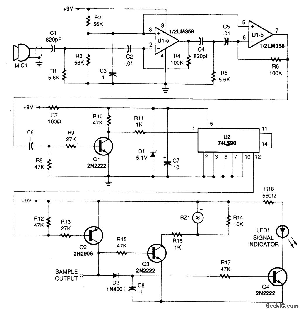
This circuit picks up the ultrasonic tone via MIC1, amplifies it, and divides it by 10 in IC U2, a 74LS90. The output of U2 drives an audio amplifier and a piezoelectric element is used as a speaker.
Reprinted Url Of This Article:
http://www.seekic.com/circuit_diagram/Measuring_and_Test_Circuit/ULTRASONIC_REMOTE_CONTROL_TESTER.html
Print this Page | Comments | Reading(3)
Code: