Published:2009/6/19 4:17:00 Author:May | From:SeekIC

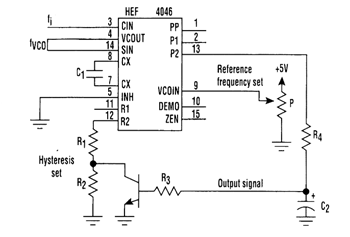
Comparison of an input signal's frequency (fi) with that of voltage-controlled oscillator (fVCO) can be accomplished with just one CMOS phase-locked loop IC and a transistor (see figure). The phase and the frequency can be compared with a phase comparator, which, along with the VCO, is part of the HEF4046 PLL IC. The transistor helps introduce hysteresis, enabling the circuit to be used as a switch driver.
Reprinted Url Of This Article:
http://www.seekic.com/circuit_diagram/Measuring_and_Test_Circuit/VCO_AND_INPUT_FREQUENCY_COMPARER.html
Print this Page | Comments | Reading(3)
Code: