Published:2009/7/17 3:01:00 Author:Jessie | From:SeekIC

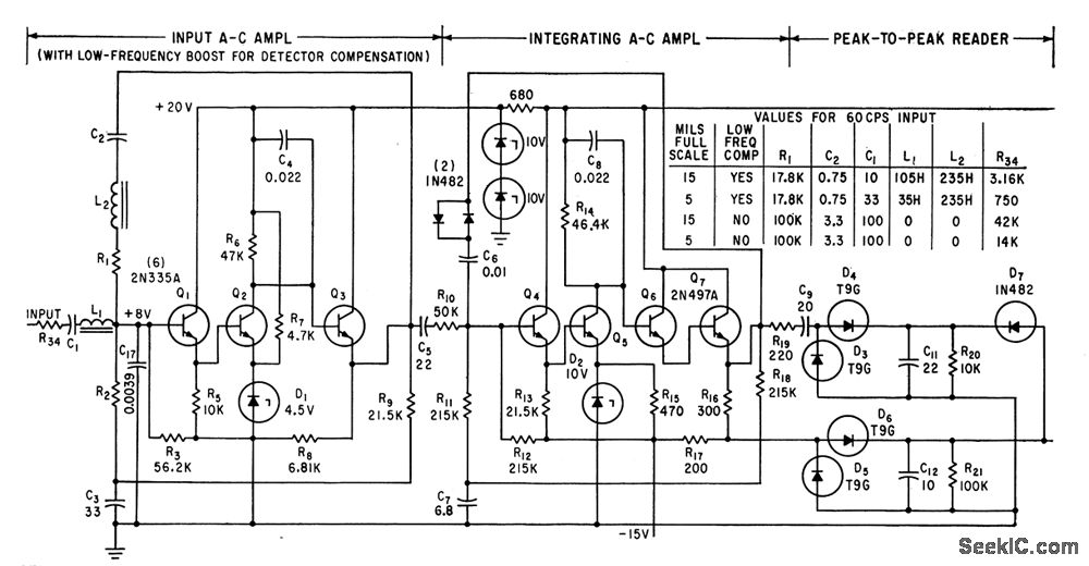
Low-frequency boost compensates for characteristics of velocity-type vibration detector for turbines. Detector voltage is proportional to both displacement and frequency, so integrating action by capacitance feedback around high-gain amplifier stage makes output proportional to displacement only.-H. A. Harriman and W. M.Trenholm, Vibration Measurements with Peak-Reading Circuit, Electronics, 35:20,p 57-59.
Reprinted Url Of This Article:
http://www.seekic.com/circuit_diagram/Measuring_and_Test_Circuit/VIBRATION_DETECTOR.html
Print this Page | Comments | Reading(3)
Code: