Published:2009/6/18 2:57:00 Author:May | From:SeekIC

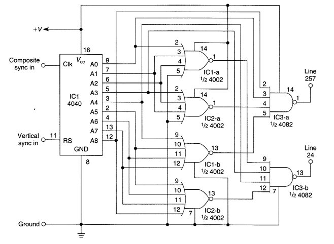
pulses useful for gating lines 24 and 257 of a video signal, but by chang-lines can be decoded.
Reprinted Url Of This Article:
http://www.seekic.com/circuit_diagram/Measuring_and_Test_Circuit/VIDEO_LINE_DECODER_II.html
Print this Page | Comments | Reading(3)
Code: