Published:2009/6/18 4:24:00 Author:May | From:SeekIC

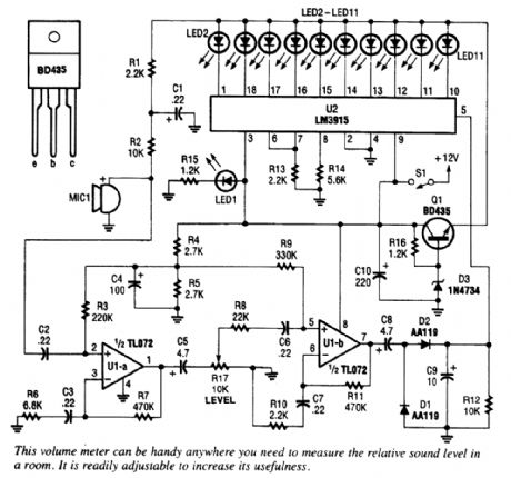
Using an LM3915 VU meter LED bar graph driver,10 LEDs are driven。A simple audio amplifierdrives a detector circuit,which provides dc drive for the LM3915.
Reprinted Url Of This Article:
http://www.seekic.com/circuit_diagram/Measuring_and_Test_Circuit/VOICE_LEVEL_METER.html
Print this Page | Comments | Reading(3)
Code: