Published:2009/7/16 4:31:00 Author:Jessie | From:SeekIC

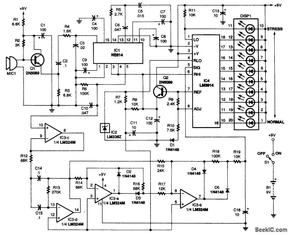
This circuit analyzes the 7-to 15-Hz voice-frequency components that are associated with the stressed voice that occurs if a person is lying or under duress of some kind. These components appear as an amplitude modulation on the voice and are thought to be inversely proportional to psychological stress. Their relative amplitudes are read out on a bar-graph display.
Reprinted Url Of This Article:
http://www.seekic.com/circuit_diagram/Measuring_and_Test_Circuit/VOICE_STRESS_ANALYZER.html
Print this Page | Comments | Reading(3)
Code: