Published:2009/7/16 20:54:00 Author:Jessie | From:SeekIC

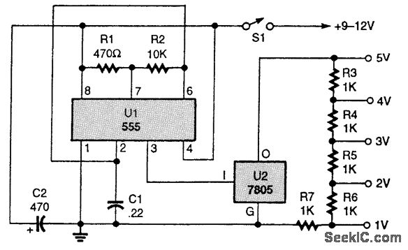
A NE555 oscillator drives a regulator to provide a regulated square-wave voltage to a voltage divider. The output is 1 to 5V p-p in 1-V steps.
Reprinted Url Of This Article:
http://www.seekic.com/circuit_diagram/Measuring_and_Test_Circuit/VOLTAGE_CALIBRATOR.html
Print this Page | Comments | Reading(3)
Code: