Published:2009/7/9 3:18:00 Author:May | From:SeekIC







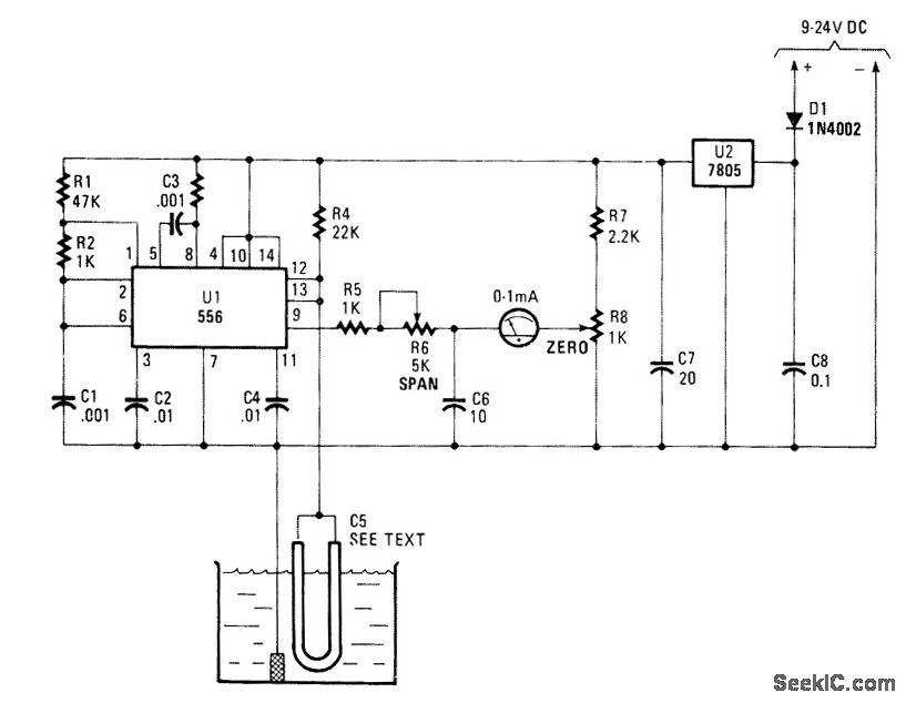
Using a capacttor sensor to detect a water level is a simple method of sensmg.This circuit uses C5,which is 10 to 20 of ﹟22 enamelled wlre as one electrode,This shifts the oscillator, an NE556 timer, infrequency..The frequency shift depends on the capacitance charge,which In turn vanes with water level.Ameter connected to pin 9 of the 556 is used as an indicator. C5 can be made larger or smaller to suit the intended application.
Reprinted Url Of This Article:
http://www.seekic.com/circuit_diagram/Measuring_and_Test_Circuit/WATER_LEVEL_MEASUREMENT_CIRCUIT.html
Print this Page | Comments | Reading(3)
Code: