Published:2009/7/11 4:35:00 Author:May | From:SeekIC

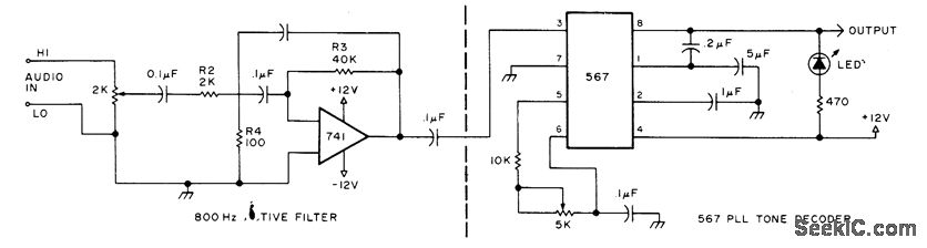
Combination of narrow-bandpass 800-Hz active filter and phase-locked loop of tone decoder permits copying very weak signals in Morse code. LED provides visual indication supplementing conventional output for headphones or loudspeaker.-Circuits, 73 Magazine, July 1977, p 35.
Reprinted Url Of This Article:
http://www.seekic.com/circuit_diagram/Measuring_and_Test_Circuit/WEAK_SIGNAL_DECODER.html
Print this Page | Comments | Reading(3)
Code: