Published:2009/7/17 5:04:00 Author:Jessie | From:SeekIC

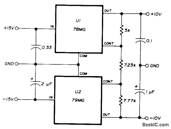
Fairchild 78MG and 79MG positive and negative voltage-regulator ICs pro-vide up to 500-mA output, with protection against short-circuits and thermal overloads.-D. Schmieskors, Adjustable Voltage-Regulator ICs, Ham Radio, Aug. 1975, p 36-38.
Reprinted Url Of This Article:
http://www.seekic.com/circuit_diagram/Power_Supply_Circuit/±10V_TRACKING.html
Print this Page | Comments | Reading(3)
Code: