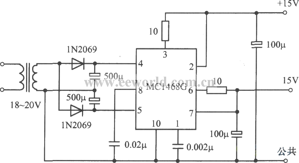
Published:2011/4/22 3:08:00 Author:Nicole | Keyword: ±15V regulated power supply | From:SeekIC

Reprinted Url Of This Article:
http://www.seekic.com/circuit_diagram/Power_Supply_Circuit/±15V_symmetric_regulated_power_supply_composed_of_LC1468G.html
Print this Page | Comments | Reading(3)
Code: