Published:2009/7/16 21:01:00 Author:Jessie | From:SeekIC

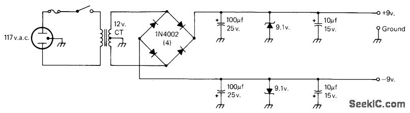
Developed for use with demodulator of teleprinter. Regulation is provided by zeners. -I. Schwartz, An RTTY Primer,CQ, Feb.1978, p 31-36.
Reprinted Url Of This Article:
http://www.seekic.com/circuit_diagram/Power_Supply_Circuit/±9_V.html
Print this Page | Comments | Reading(3)
Code: