Published:2009/6/28 21:41:00 Author:Jessie | From:SeekIC

Reprinted Url Of This Article:
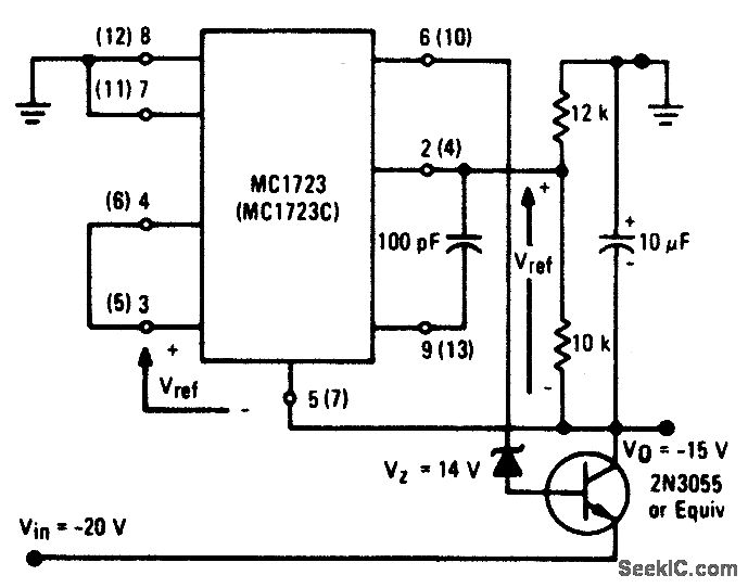
http://www.seekic.com/circuit_diagram/Power_Supply_Circuit/-15_V_NEGATIVE_REGULATOR_.html
Print this Page | Comments | Reading(3)
Code: