Published:2011/6/30 4:39:00 Author:Joyce | Keyword: 0~30V﹑2A-based , Constant Current , Regulated Power Supply | From:SeekIC

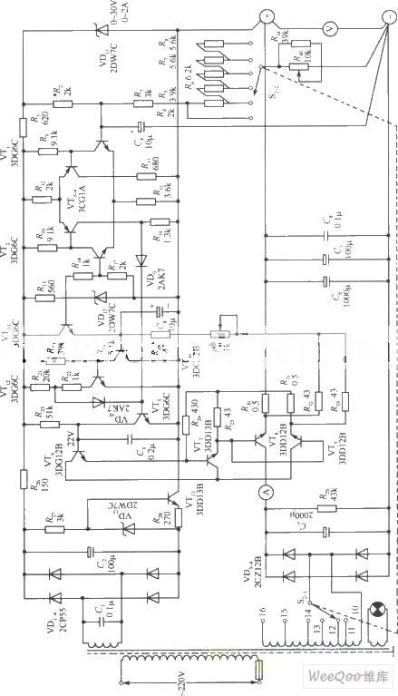
0~30V﹑2A-based constant current and regulated power supply circuit is shown in the following figure.
Reprinted Url Of This Article:
http://www.seekic.com/circuit_diagram/Power_Supply_Circuit/0~30V﹑2A_based_Constant_Current_and_Regulated_Power_Supply_Circuit.html
Print this Page | Comments | Reading(3)
Code: