Published:2009/7/16 22:51:00 Author:Jessie | From:SeekIC

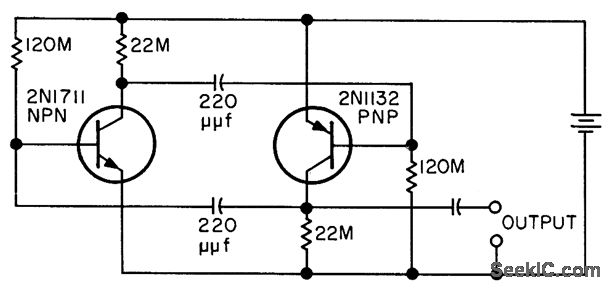
Both npn and pnp transistors conduct at same time for part of cycle, and both are cut off for remainder of cycle, so average power consumed is much less than when one transistor always conducts. Frequency is 40 cps. With 0.6-V supply furnishing 0.015 microamp, total power consumption is 0.009 microwatt. -W. G. Shepard, A 0.01 Microwatt Multivibrator, EEE, 10:8, p 29.
Reprinted Url Of This Article:
http://www.seekic.com/circuit_diagram/Power_Supply_Circuit/001_MICROWATT_40_CPS_MVBR.html
Print this Page | Comments | Reading(3)
Code: