Published:2009/7/21 4:54:00 Author:Jessie | From:SeekIC

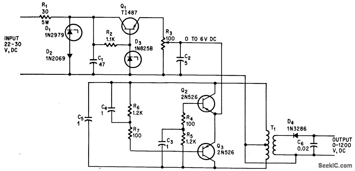
Silicon diodes in R-C filter network gives 0.2% regulation over entire d-c output range, with temperature cosfficient only 0.1% of output voltage per deg C, for photomultiplier stage in airborne equipment. –J. G. Peddie, Network Filters Stabilize d-c Supply Over Wide Range, Electronics, 37:18, p 83.
Reprinted Url Of This Article:
http://www.seekic.com/circuit_diagram/Power_Supply_Circuit/0_1200_V_REGULATED_SUPPLY_FOR_RHOTOMULTIPLIER.html
Print this Page | Comments | Reading(3)
Code: