Published:2009/7/19 19:57:00 Author:Jessie | From:SeekIC

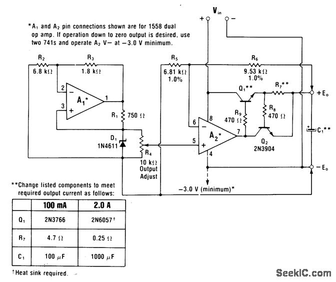
Basic zener-opamp regulator output of 6.6V is scaled up to maximum of 15 V, adjusted with R4, by adding buffer opamp A2, and current-hoosting transistors. Q2 provides short-circuit protection by sensing load current through R7. Large output capacitor C1, maintains low output impedance at high frequencies where gain of A2, falls off.-W. G. Jung, IC 0p-Amp Cookbook, Howard W. Sams, Indianapolis, IN, 1974, p 158-159.
Reprinted Url Of This Article:
http://www.seekic.com/circuit_diagram/Power_Supply_Circuit/0_15V_AT_2A.html
Print this Page | Comments | Reading(3)
Code: