Published:2009/7/19 21:24:00 Author:Jessie | From:SeekIC

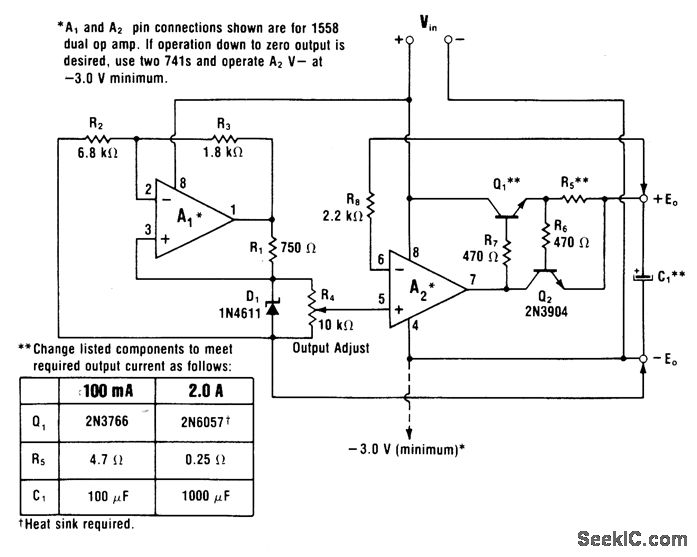
High-power circuit is suitable for low-voltage logic devices that require high current at supply voltages between 3 and 6V. Maximum output of 2A is obtained with 2N6057 Darlington pair for Q1. Single 2N3766 can be used if load is only 100mA. Q2 provides short-circuit protection for Q1, Since supply does not have to be adjusted down to 0V,negative supply for A2 can go to common negative of circuit. Optional connection to -3 V is used only when voltage range must go down to 0V.-W.G. Jung, IC Op-Amp Cookbook, Howard W. Sams, Indianapolis, IN, 1974, p 157-158.
Reprinted Url Of This Article:
http://www.seekic.com/circuit_diagram/Power_Supply_Circuit/0_66V_AT_2A.html
Print this Page | Comments | Reading(3)
Code: