Published:2009/7/19 20:17:00 Author:Jessie | From:SeekIC

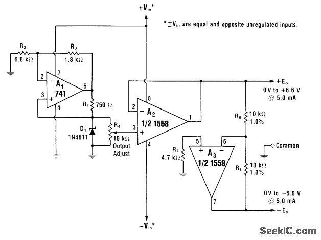
Master-slave regulator combination is used to make second regulator provide mirror image of first wllile output of first is varied over full range from 0 to zener limit with R4. Accuracy of tracking de-pends on match between R5 and R6, which should be1 % film or wirewound.-W. G. Jung, IC Op-Amp Cookbook, Howard W. Sams, Indianapolis, IN, 1974, p 160-162.
Reprinted Url Of This Article:
http://www.seekic.com/circuit_diagram/Power_Supply_Circuit/0_TO_166_V_TRACKING_AT_5_mA.html
Print this Page | Comments | Reading(3)
Code: