Published:2009/7/19 22:13:00 Author:Jessie | From:SeekIC

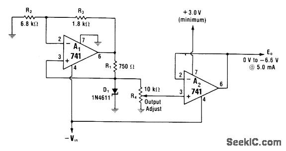
Voltage follower A2 buffers output that can be adjusted over full range from 0 V to zener limit with R4. Positive supply of A2 must go to voltage slightly more positive than +3 V common if linear output operation is required over full range.-W. G. Jung, IC Op-Amp Cookbook, Howard W. Sams, Indianapolis, IN, 1974, p 159-160.
Reprinted Url Of This Article:
http://www.seekic.com/circuit_diagram/Power_Supply_Circuit/0_TO__66V_AT_5mA.html
Print this Page | Comments | Reading(3)
Code: