Published:2011/9/8 1:20:00 Author:Michel | Keyword: Stable Precision , Power Supply Circuit | From:SeekIC

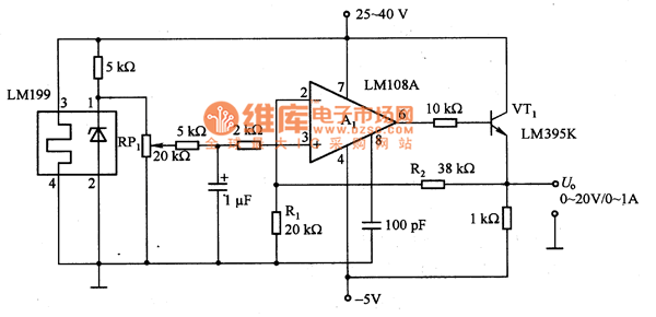
The picture is 0~2OV/1A stable precision power supply circuit of LM199.LM199is a drift integrated voltage modulewith a long-term stability and very small temperature . The circuit uses its output voltage source as the benchmark voltage power supply and that is 0 ~ 20 V adjustable stable power supply. RP1 uses 20 laps line potentiometer to change its resistance value,which can make the output voltage adjust between 0~20V.
VT1 transistor (LM395K) is used as the output circuit series control device.It is 5μA input base current and there are power transistor with overcurrent limiting and overheating protection functions.LM395K usually works in safety work range thus there is no necessary for external circuit to connect with overcurrent protection circuit,which makes the circuit very simple.In the circuit,RP1 needs to choose resistor with good temperature properties and R1 and R2need to choose metal film resistance with good temperature properties.
Reprinted Url Of This Article:
http://www.seekic.com/circuit_diagram/Power_Supply_Circuit/0~2OV_1A_Stable_Precision__Power_Supply_Circuit_of_LM199.html
Print this Page | Comments | Reading(3)
Code: