Published:2009/7/24 1:52:00 Author:Jessie | From:SeekIC

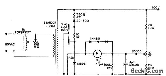
Accurate 100-v rms source is used as reference voltage for divider to correlate vacuum-tube voltmeters. Meter is altered to zero-center, with new settle scale indicaing voltages up to 1.825 v on each side of 100-v center value. D-c voltage on one side of meter is held constant by zener diode, and is compared with positive voltage applied to other meter terminal by divider action without stabilization. Initial standardization is done by adjusting input controls for 100-v output as determined by reference standard. Output potentiometer is then adjusted to make meter tor respond (center of scale). Three diodes protect meter when unit is turned on.-Standardized AC Voltage Reference Source, Electronic Circuit Design Handbook, Mactier Pub. Corp., N.Y., 1965, p 151.
Reprinted Url Of This Article:
http://www.seekic.com/circuit_diagram/Power_Supply_Circuit/100_V_A_C_REFERENCE.html
Print this Page | Comments | Reading(3)
Code: