Published:2009/7/12 22:46:00 Author:May | From:SeekIC

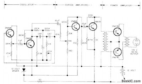
Consists essentially of 60-Hz sine-wave oscillator with 10K frequency-control pot, two buffer stages, and push-pull power amplifier. Circuit eliminates noise problems of square-wave inverters when operating 115-V radio receiver or cassette player in car.- G. C. Ford, Power Inverter with Sine Wave Output, 73 Magazine, May 1973, p 29-32.
Reprinted Url Of This Article:
http://www.seekic.com/circuit_diagram/Power_Supply_Circuit/100_W_SINE_AT_60_Hz.html
Print this Page | Comments | Reading(3)
Code: