Published:2009/7/16 5:47:00 Author:Jessie | From:SeekIC

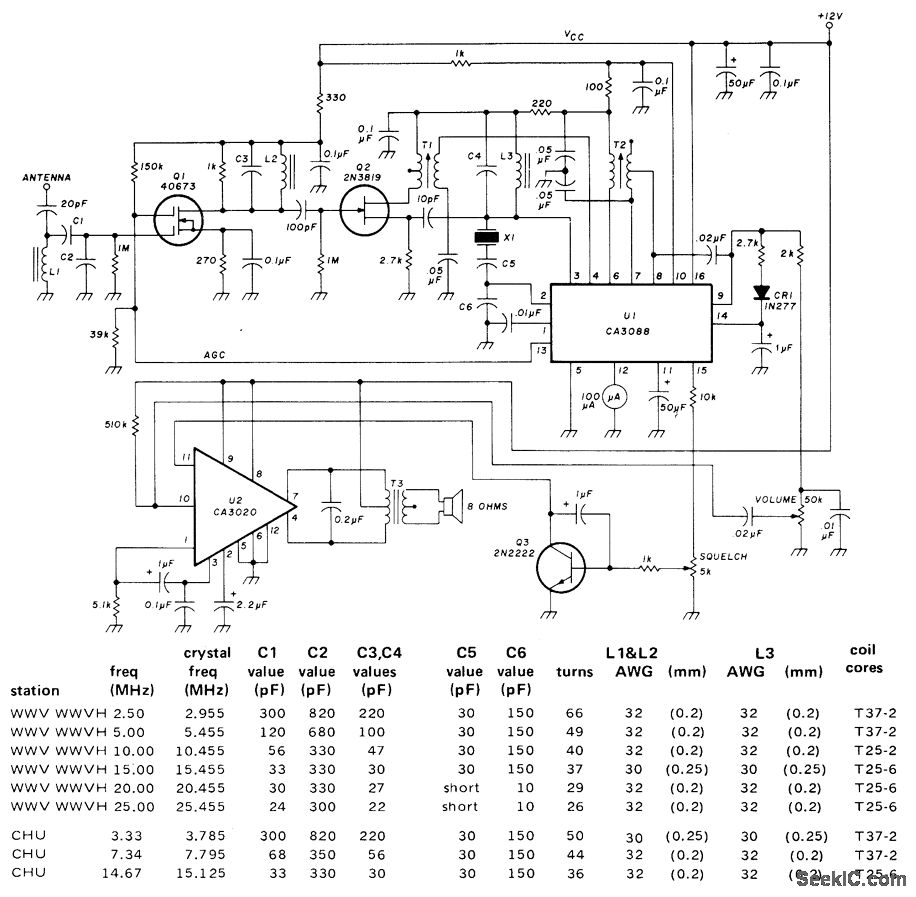
Fixed-frequency receiver has high sensitivity, portability, low power consumption, and low cost. Number of time parts is minimized by using RCA CA3088 IC for converter, lF, detector, audio preamp, AGC, and tuning-meter output, along with RCA CA3020 as audio amplifier. Table gives crystal frequencies and tuned-circuit values for all nine frequencies on which frequency calibration data, propagation forecasts, geophysical alerts, time signals, and storm warnings are broadcast by American and Canadian governments. Core type numbers are for Amidon Associates cores. IF transformers come as Radio Shack set 273-1383; use only T1 (gray core) and T2 (white core). Specify load capacitance as 32 pF when ordering crystals. Use overtone crystals for 20 and 25 MHz with C5 replaced by short and C6 reduced to 10 pF.-A. M. Hudor, Jr., Fixed. Frequency Receiver for WWV, Ham Radio, Feb.1977, p 28-33.
Reprinted Url Of This Article:
http://www.seekic.com/circuit_diagram/Power_Supply_Circuit/10_MHz_FIXED_FOR_WWV.html
Print this Page | Comments | Reading(3)
Code: