Published:2009/7/15 22:09:00 Author:Jessie | From:SeekIC

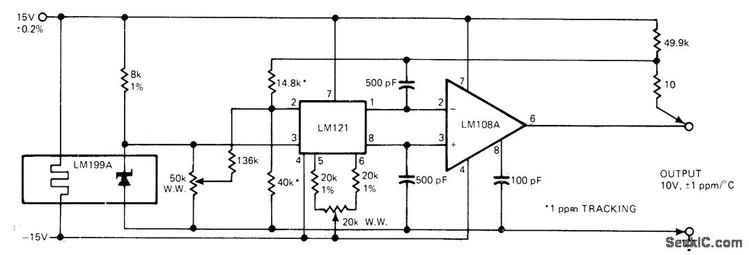
Provides temperature-compensation trimming to give lowest possible reference-voltage drift for A/D converter. Reference zener is LM199A having 0.5 PPM/℃ drift that is independent of operating current. Low-drift combination of LM121 and LMl08A has drift predictably proportional to offset voltage, permitting use of potentiometers for trimming to better than 1 PPM/℃. Article gives details of trimming procedure to be used during temperature runs.- R. C. Dobkin, Don’t Forget Reference Stabillity When Desiging A-to-D Converters, EDN Magazine, June 20, 1977, p l05-108.
Reprinted Url Of This Article:
http://www.seekic.com/circuit_diagram/Power_Supply_Circuit/10_V_WITH_TC_TRIMMlNG.html
Print this Page | Comments | Reading(3)
Code: