Published:2009/7/16 22:37:00 Author:Jessie | From:SeekIC

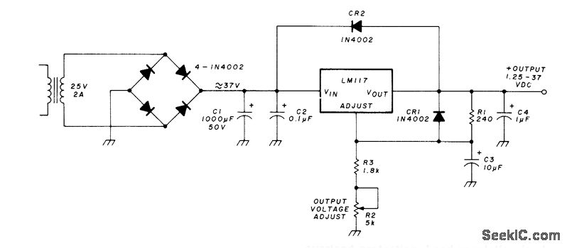
Adjustable positive voltage regulator used with simple bridge rectifier and capacitor-input filter delivers wide range of regulated voltages, all with current and thermal overload protection. Load regulation is about 0.3%.-H. Berlin, A Simple Adjustable IC Power Supply, Ham Radio, Jan. 1978, p 95.
Reprinted Url Of This Article:
http://www.seekic.com/circuit_diagram/Power_Supply_Circuit/125_TO_37_V_AT_15_A_.html
Print this Page | Comments | Reading(3)
Code: