Published:2009/7/16 22:23:00 Author:Jessie | From:SeekIC

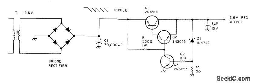
Article gives step-by-step procedure for designing simplest possible regulated supply to meet specific requirements in general service. Power transformer rated 12.6 V at 3 A delivers about 18 V P to bridge rectifier rated 50 V at 5 A. Value of C1 is chosen to keep voltage to regulator above 15-V limit at which circuit would drop out of regulation.-C. W. Andreasen, Practical P. S. Design, 73 Magazine, June 1977, p 84-85.
Reprinted Url Of This Article:
http://www.seekic.com/circuit_diagram/Power_Supply_Circuit/126_V_AT_3_A.html
Print this Page | Comments | Reading(3)
Code: