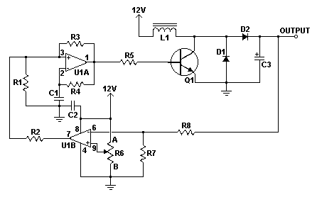
Published:2012/12/11 0:35:00 Author:muriel | Keyword: 12V To 24V, DC-DC , Converter Circuit | From:SeekIC

Reprinted Url Of This Article:
http://www.seekic.com/circuit_diagram/Power_Supply_Circuit/12V_To_24V_DC_DC_Converter_Circuit.html
Print this Page | Comments | Reading(3)
Code: