Published:2009/7/16 23:17:00 Author:Jessie | From:SeekIC

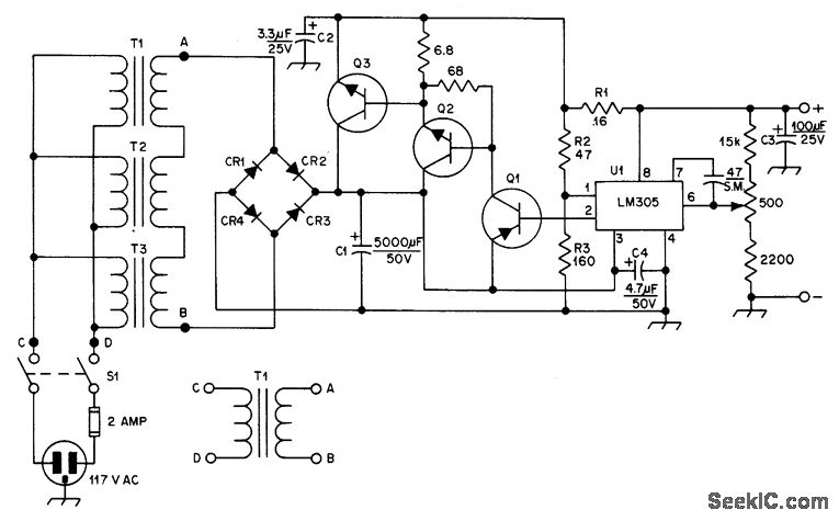
Power supply is more than adequate for handling 12-V FM transceiver and even small amplifier. Series combination of three 6.3-V 10-A filament transformers drives 12-A 50-PIV bridge rectifier supplying 18 VDC to National LM305 regulator and pass transistors. Output voltage is at least 4 V less. Circuit provides foldback-current limiting for protection against load shorts. 500-ohm pot varies output from 11.2 to 14.1 V. Q1 is 2N2905, Q2 is 2N3445, and Q3 is 2N3772. T1-T3 are 6.3 V at 10 A (Essex Stancor P-6464 or equivalent ).-C. Car-roll, That's a Big 12 Volts, QST, Aug. 1976, p 26-27.
Reprinted Url Of This Article:
http://www.seekic.com/circuit_diagram/Power_Supply_Circuit/12_V_AT_10_A_FOR_HOUSE.html
Print this Page | Comments | Reading(3)
Code: